法兰理论重量计算器

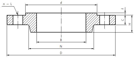
PL板式平焊法兰

SO带颈平焊法兰

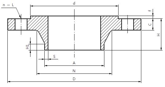
WN带颈对焊法兰

BL法兰盖
1、全平面(FF)板式平焊法兰
重量=体积*密度
304材质密度:7.93g/cm^3 316材质密度:7.98g/cm^3 碳钢材质密度:7.85g/cm^3
以304材质(密度7.93g/cm^3)为例:
法兰体积=外环体积-内环体积-螺栓孔数*螺栓体积
=[π*(外径/2)*(外径/2)-π*(内径/2)*(内径/2)-π*螺栓孔数*(螺栓孔径/2)*(螺栓孔径/2)]*厚度
=π/4*(外径*外径-内径*内径-螺栓孔数*螺栓孔径*螺栓孔径)*厚度
(外径,内径,螺栓孔径,厚度单位:mm)
密度=7.93 (单位:g/cm^3)
=7.93/1000 (单位:g/cm^3)
=7.93/1000000 (单位:Kg/cm^3)
法兰重量=(外径*外径-内径*内径-螺栓孔数*螺栓孔径*螺栓孔径)*厚度*π/4*7.93/1000000(Kg/cm^3)
(外径,内径,螺栓孔径,厚度单位:mm)
=(外径*外径-内径*内径-螺栓孔数*螺栓孔径*螺栓孔径)*厚度*6.228/1000000 (重量单位:Kg)
(外径,内径,螺栓孔径,厚度单位:mm)
=[π*(外径/2)*(外径/2)-π*(内径/2)*(内径/2)-π*螺栓孔数*(螺栓孔径/2)*(螺栓孔径/2)]*厚度
=π/4*(外径*外径-内径*内径-螺栓孔数*螺栓孔径*螺栓孔径)*厚度
(外径,内径,螺栓孔径,厚度单位:mm)
密度=7.93 (单位:g/cm^3)
=7.93/1000 (单位:g/cm^3)
=7.93/1000000 (单位:Kg/cm^3)
法兰重量=(外径*外径-内径*内径-螺栓孔数*螺栓孔径*螺栓孔径)*厚度*π/4*7.93/1000000(Kg/cm^3)
(外径,内径,螺栓孔径,厚度单位:mm)
=(外径*外径-内径*内径-螺栓孔数*螺栓孔径*螺栓孔径)*厚度*6.228/1000000 (重量单位:Kg)
(外径,内径,螺栓孔径,厚度单位:mm)
2、全平面(FF)法兰盖
=(外径*外径-螺栓孔数*螺栓孔径*螺栓孔径)*厚度*6.228/1000000 (重量单位:Kg)
(外径,螺栓孔径,厚度单位:mm)
3、突面(RF)板式平焊法兰以突台为界分上下2部分计算
公式1=[(外径*外径-内径*内径-孔数*孔径*孔径)*法兰厚+(突台外径*突台外径-内径*内径)*突台厚度]*6.228/1000000
(注:公式中法兰厚不包含突台厚度)
公式2=[(外径*外径-内径*内径-孔数*孔径*孔径)*法兰厚-(外径*外径-突台外径*突台外径-孔数*孔径*孔径)*突台厚度]*6.228/1000000
(注:公式中法兰厚包含突台厚度)
举例:外165内59厚20孔4*18,PL-FF法兰,材质304
重量=(165*165-59*59-4*18*18)*20*6.228/1000000=2.80Kg
4、圆台体积公式
=1/3*π*(R*R+R*r+r*r)*h